细节再现工装、细节再现器具、划线试验块
符合标准:
YY/T 0462-2018,7.7细节再现

介绍:
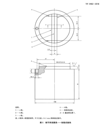
试验块:带如图6和图7中所示的划线,由硬化不锈钢材质(400VHN)制成。
环形模具:如图8所示。按GB/T131-2006,表面粗糙度为N5(Ra=0.4μm).
开口模具:如图9所示。按GB/T131-2006,表面粗糙度为N5(Ra=0.4μm).




发布时间:
2026-04-08 17:30:04
责任编辑:
上海程斯
浏览次数:次
细节再现工装、细节再现器具、划线试验块
符合标准:
YY/T 0462-2018,7.7细节再现

介绍:
试验块:带如图6和图7中所示的划线,由硬化不锈钢材质(400VHN)制成。
环形模具:如图8所示。按GB/T131-2006,表面粗糙度为N5(Ra=0.4μm).
开口模具:如图9所示。按GB/T131-2006,表面粗糙度为N5(Ra=0.4μm).




上一篇 稠度试样材料量取器