产品详情
配伍性试验块、细节再现和与石膏的配伍性试验块
执行标准:
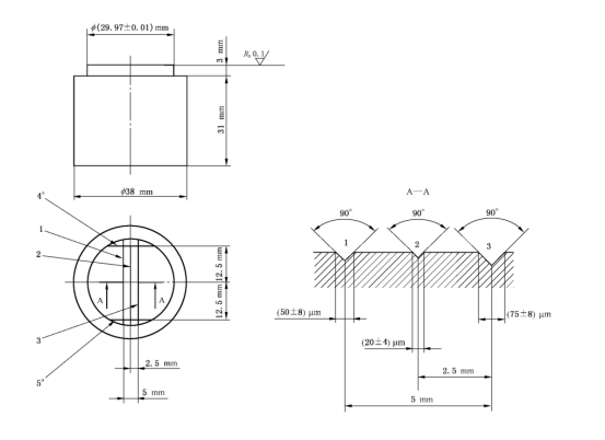
YY/T 0493-2022--图 A.12 细节再现和与石膏的配伍性试验块--配伍性试验块
规格一:
规格二:
模具用途:
验证印模材料在接触石膏时是否会发生不良反应或表面缺陷,从而影响模型精度。
技术参数:
材质:不锈钢
计时器:0-999/s(自行设置)精度±1/s
选配:声清洗,机恒温水浴,烘箱,显微镜

配置清单:
模具一套,合格证一份,铭牌一份。
配伍性试验块、细节再现和与石膏的配伍性试验块
执行标准:
YY/T 0493-2022--图 A.12 细节再现和与石膏的配伍性试验块--配伍性试验块
规格一:
规格二:
模具用途:
验证印模材料在接触石膏时是否会发生不良反应或表面缺陷,从而影响模型精度。
技术参数:
材质:不锈钢
计时器:0-999/s(自行设置)精度±1/s
选配:声清洗,机恒温水浴,烘箱,显微镜

配置清单:
模具一套,合格证一份,铭牌一份。